Car Questions

blower motor won’t ...
 
Notifications
Clear all

blower motor won’t turn

  

0
Topic starter

Hey, 2010 Volvo xc60

 

blower motor won’t turn, testing the voltage of 4 signal

 

Blower resistor connector voltage

wire + power pin connector with multimeter, is it normal when I go from low, starts at almost 12v, then when I got higher fan speed the voltage drops to 2v?


2 Answers
1

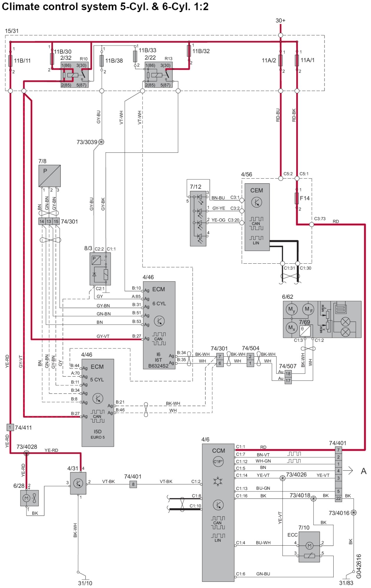
you will need a schematic.

You should be able to find it on https://charm.li/


@imperator im looking on all data and it’s hot at all times, so i guess its normal, i see a nice square wave with my 1 channel oscilloscope moving around when i turn on and off.


can you post the diagram and your scope traces


1

motor should have 12V on pin 2 (yellow+red) at all times (relative to battery negative, not to the black wire!) . Pin 1 (Black wire) pulses 0V according to speed setting, probably ranging from 5% to 95% duty cycle. If voltages are correct then motor is blown.


Share: